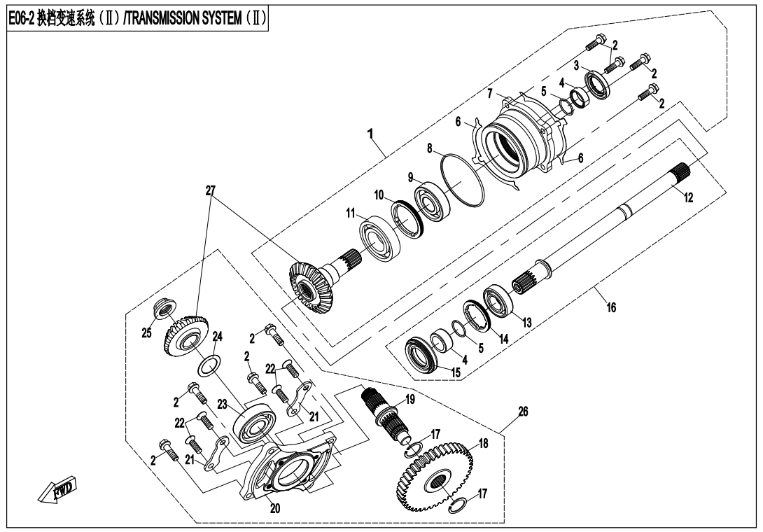
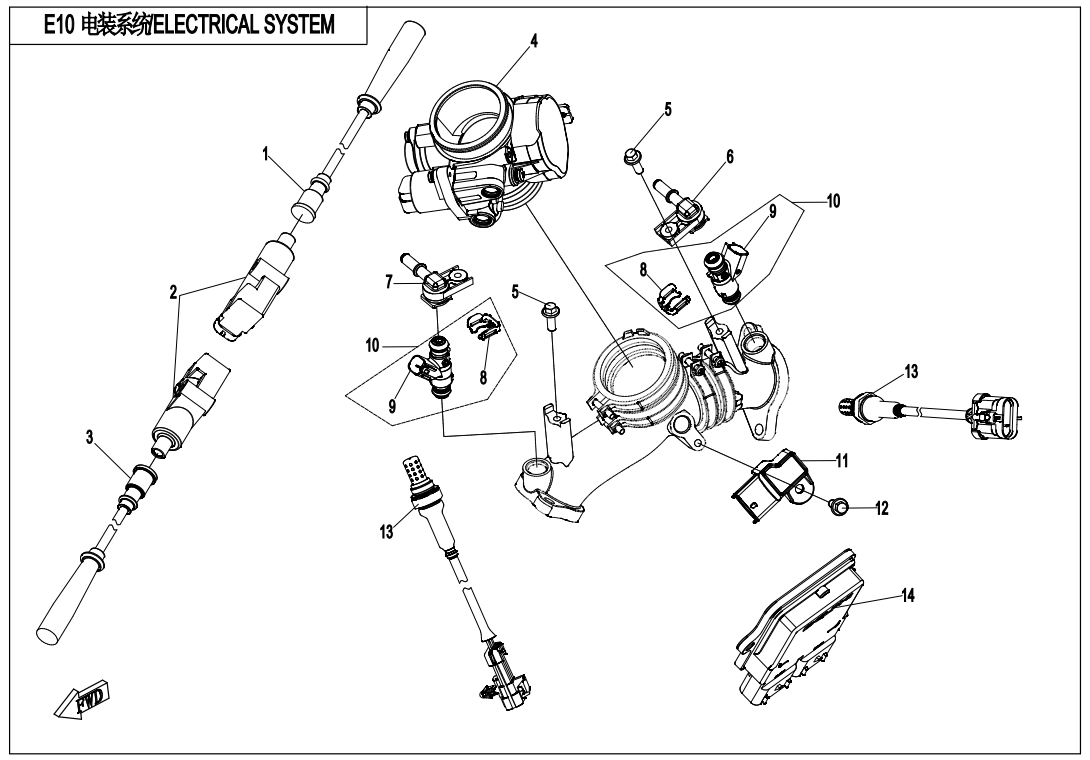
You are here

2011, ENGINE, 2V91W(X8)