Product engine:
2014, ENGINE, CF188 HEADLIGHT - F01
DASHBOARD - F02
HANDLEBAR -1 - F03
HANDLEBAR -2 - F04
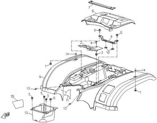
PLASTICS-1 - F05
PLASTICS-2 - F06
PLASTICS-3 - F07
PLASTICS-4 - F08
STEERING SYSTEM - F09
FRONT WHEEL ASSY - F10
REAR WHEEL ASSY - F11
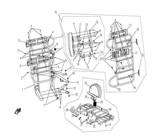
SEAT ASSY - F12
FUEL TANK - F13
MUFFLER COMP - F14
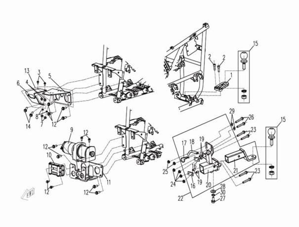
FRONT SUSPENSION - F15
REAR SUSPENSION - F16
REAR TURN LIGHT - F17
TAIL LIGHT - F18
ELECTRIC SYSTEM (CAB.) - F19
HYDRAULIC BRAKE SYSTEM - F20
COOLING SYSTEM - F21
FRAME - F22
RACK@^BUMPER - F23-1
CVT COOLING SYSTEM - F25
TRANSMISSION SYSTEM - F26
TOOLS - F27
STICKERS - F28
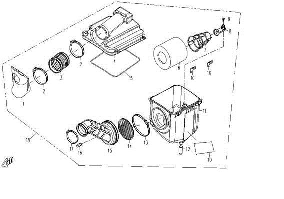
AIR FILTER ASSY - F29
WINCH@^TOWING - F30
ENGINE SKID PLATE - F31
FRONT AXLE - F32
REAR AXLE - F33
AIR FILTER ASSY - F34
WINCH ASSY - F35
FRONT CV DRIVE SHAFT ASSY - F36
FRONT CV DRIVE SHAFT ASSY - F36ï¼newï¼
REAR CV DRIVE SHAFT ASSY - F37
REAR CV DRIVE SHAFT ASSY - F37ï¼newï¼





































