No.
01
03
04
05
6080-150921
4,00 € 4,00 €
06
07
08
09
901F-120001
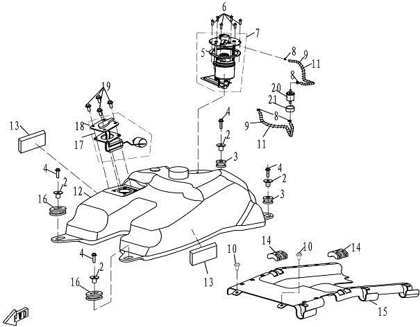
EFI HIGH-PRESSURE FUEL HOSE
Effective: 2021-02-26
Remarks: is replaced by 901F-120001-00001
Alternative parts: 901F-120001-00001
30,00 € 30,00 €
09
10
30006-060016840
1,50 € 1,50 €
12
16
19
